棕櫚油鏈是基于我們對棕櫚油壓榨生產線應用研究的成果。制造過程通過合理選材、精密加工、特殊熱處理、精確裝配和預潤滑等工序的嚴格控制,所達到的尺寸一致的精確性使鏈條與鏈輪間的嚙合更好,持久耐磨損的特性使品質更為良好。

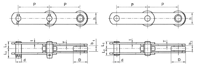
| Chain No. | Pitch P (mm) | Inner width of inner link b1 (min.) (mm) | Outer diameter of roller (bushing) D (max.) (mm) | Pin | Sidebar | Min. tensile strength Q (KN) | Rated working load (KN) | Weight per meter q (kg/m) | ||||
| d1 (mm) | L1(mm) | L2(mm) | type | h (mm) | t/T (mm) | |||||||
| 101.6 | 19.05 | 47.63 | 19.05 | 24.2 | 30.3 | A | 38.1 | 5.1 | 97.8 | 11.7 | 7.1 | |
| 101.6 | 19.05 | 47.63 | 19.05 | 24.2 | 24.2 | B | 38.1 | 5.1 | 97.8 | 11.7 | 6.96 | |
| 101.6 | 25.4 | 66.7 | 28 | 28.8 | 28.8 | B | 50.8 | 5.1/7.1 | 133 | 13.2 | 14.07 | |
| 152.4 | 38.1 | 88.9 | 31.8 | 43 | 43 | B | 61 | 9 | 200 | 19.6 | 32.43 | |
|
| H(mm) | W(mm) | F(mm) | E(mm) | d1(mm) |
| 25.4 | 142.35 | 111.25 | 46.5 | 11.94 |
| Chain No. | Pitch P (mm) | Inner width of inner link b1 (min.) (mm) | Outer diameter of roller (bushing)D (max.) (mm) | Pin | Sidebar | Min. tensile strength Q (min) (KN) | Rated working load (KN) | Weight per meter q (kg/m) | |||
| d (mm) | L1(mm) | L2(mm) | h (mm) | t/T (mm) | |||||||
| 76.71 | 31 | 30 | 14.12 | 33.8 | 40.8 | 38.1 | 6.4 | 155 | 14.7 | 8.76 | |

| Chain No. | Pitch P (mm) | Inner width of inner link b1 (min.) (mm) | Outer diameter of roller D (max.) (mm) | Pin | Sidebar | Min. tensile strength Q (KN) | Rated working load (KN) | Weight per meter Q S/F (kg/m) | |||
| d (mm) | L1(mm) | L2(mm) | h (mm) | t/T (mm) | |||||||
| 152.4 | 30 | 50.8 | 14.27 | 31.9 | 36.8 | 38.1 | 6.4 | 158 | 20.5 | 7.85/8.3 | |
Related Names
Oil Extraction Machine Chain | Precision Link Chain | Surface Finishing Chain


